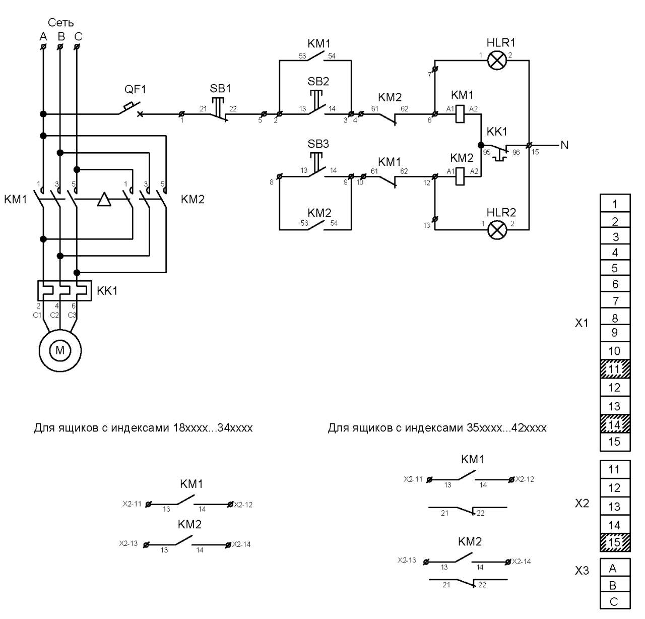
Ящик управления Я5430-3574 реверсивный без автоматического выключателя 1 фидер без переключателя на автоматический режим 32А IEK
Бесплатная доставка по Екатеринбургу и до ТК при заказе от 3000 ₽.
Доставка по России
- Производитель: IEK ( ИЭК )
- Код товара: NKU10-YA50-54303574-01
- Артикул: NKU10-YA50-54303574-01
- Ом код: 400-956
Преимущества
- Высокий уровень надёжности и безопасности в эксплуатации групп асинхронных двигателей.
- Широкий выбор модификаций.
- Высокая технологичность и простота сборки.
- Высокий уровень электробезопасности.
- Сертификат соответствия.
- Наличие сертифицированных сборщиков в крупнейших регионах РФ.
- Возможность внесения изменений в любое решение силами технических специалистов IEK GROUP.
- Короткие сроки поставки компонентов решения обеспечиваются наличием широкой складской и партнерской сети.
Документация
Схемы подключения
Дополнительные изображения
Модели для проектировщиков
Заказать товар:
Через форму заказа на сайте
По телефону:
Отправить на заявку на электронную почту:
Мы осуществляем отправку по РФ - СДЭК, Деловые линии, КИТ, Собственным транспортом (2 и 5 тн)
Бесплатная доставка по Екатеринбургу при сумме от 3000 руб - карта в разделе оплата и доставка
