Выключатель автоматический 3п 125А 15кА ВА44 33 IEK SVA4410-3-0125
Бесплатная доставка по Екатеринбургу и до ТК при заказе от 3000 ₽.
Доставка по России
- Производитель: IEK ( ИЕК )
- Код товара: SVA4410-3-0125
- Артикул: SVA4410-3-0125
- Ом код: 153-201
Преимущества
- Простая самостоятельная установка универсальных дополнительных устройств (подходят для ВА44 и для ВА88):
- - аварийный контакт;
- - дополнительный контакт;
- - независимый расцепитель;
- - расцепитель минимального напряжения;
- - совмещенный контакт.
- Двойная изоляция.
- Надежная защита от сверхтоков.
- Компактные габариты.
- Экономичное решение.
Документация
Сертификаты
- Сертификат ТР ТС
ЕАЭС RU С-CN.АЯ46.В.40220_25.PDF - Отказное письмо 123-ФЗ
275эп-14-2-7.pdf - Отказное письмо 043
304эп-14-2-7 от 29.12.2025.pdf - Сертификат ТР ТС
ЕАЭС N RU Д-CN.РА07.В.81039_25.pdf - Отказное письмо ФЗ-123
303эп-14-2-7.pdf - Отказное письмо 123-ФЗ
303эп-14-2-7 от 29.12.2025.pdf - Отказное письмо 043
274эп-14-2-7.pdf
Схемы подключения
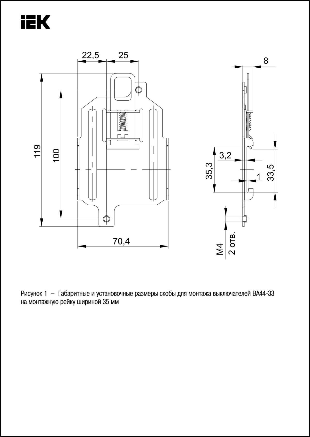
Дополнительные изображения
- Изображение
2_Silovoe-oborudovanie_final_2.jpg - Изображение
2_Silovoe-oborudovanie_final_2.pdf - Изображение
VA44_passport_5_S.jpg - Изображение
VA44_passport_5_G1a.jpg - Изображение
listovka_VA44.pdf - Изображение
VA44_passp_mult_2_G1.jpg - Силовое оборудование защиты и коммутации
Catalog_Silovoe_Oborudovanie_IEK_2025.pdf - Изображение
VA44_passport_5_G1.jpg
Заказать товар:
Через форму заказа на сайте
По телефону:
Отправить на заявку на электронную почту:
Мы осуществляем отправку по РФ - СДЭК, Деловые линии, КИТ, Собственным транспортом (2 и 5 тн)
Бесплатная доставка по Екатеринбургу при сумме от 3000 руб - карта в разделе оплата и доставка
Документы
|
|
|
|
|
|
|
|
