Реле напряжения и тока РНТ-д однофазное 36мм 40А IEK
Бесплатная доставка по Екатеринбургу и до ТК при заказе от 3000 ₽.
Доставка по России
- Производитель: IEK ( ИЕК )
- Код товара: IVC21-1-40
- Артикул: IVC21-1-40
- Ом код: 237-285
Преимущества
- Индикация повышения, понижения напряжения.
- Задержка на включение и отключение.
- Независимый индикатор положения контактов.
- Насечки на контактных зажимах.
- Диапазон рабочих температур: от -20 до +55 °С.
Документация
Сертификаты
- Сертификат 004, 020
ЕАЭС RU С-CN.АЯ46.В.43395_25.pdf - Сертификат 004, 020
ВЕ02.В.04574_22.pdf - Отказное письмо 123-ФЗ
275эп-14-2-7.pdf - Отказное письмо 043
304эп-14-2-7 от 29.12.2025.pdf - Отказное письмо ФЗ-123
303эп-14-2-7.pdf - Отказное письмо 123-ФЗ
303эп-14-2-7 от 29.12.2025.pdf - Отказное письмо 043
274эп-14-2-7.pdf
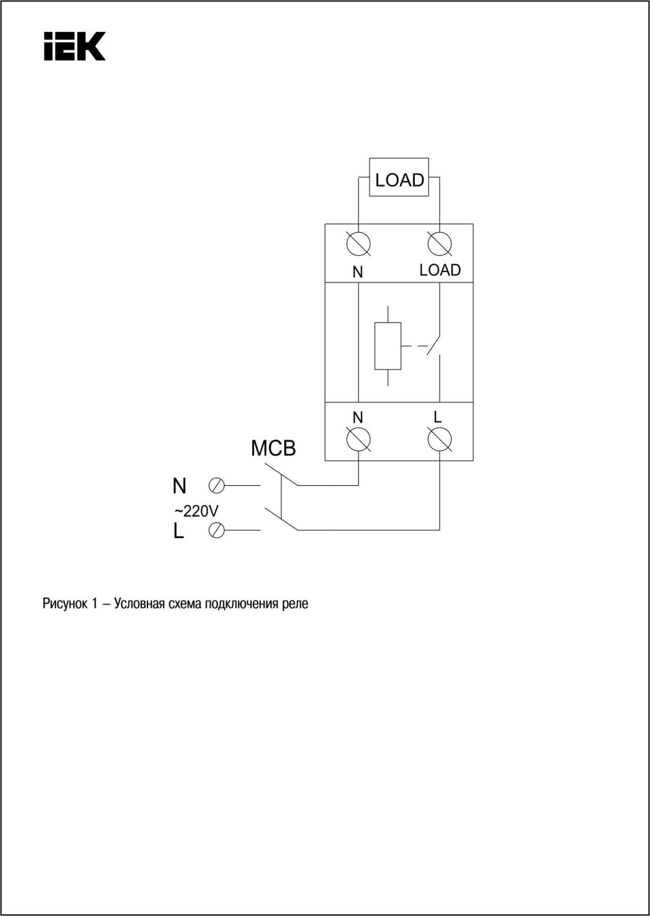
Схемы подключения
Заказать товар:
Через форму заказа на сайте
По телефону:
Отправить на заявку на электронную почту:
Мы осуществляем отправку по РФ - СДЭК, Деловые линии, КИТ, Собственным транспортом (2 и 5 тн)
Бесплатная доставка по Екатеринбургу при сумме от 3000 руб - карта в разделе оплата и доставка
