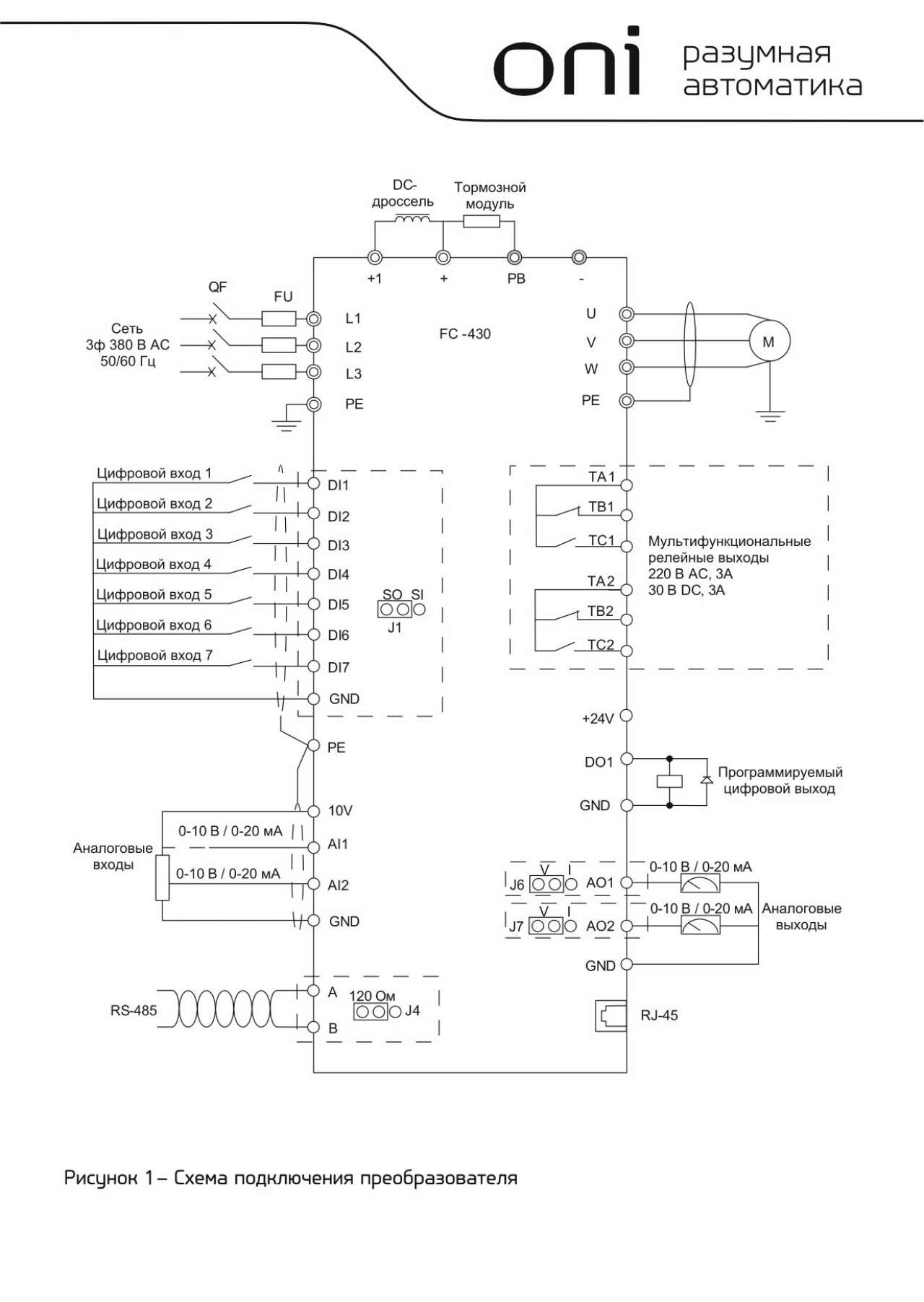
Преобразователь частоты FC-430 380В 3Ф 55-75кВт 110-150А ONI
Бесплатная доставка по Екатеринбургу и до ТК при заказе от 3000 ₽.
Доставка по России
- Производитель: IEK ( ИЕК )
- Код товара: FC-430-33-55G075P
- Артикул: FC-430-33-55G075P
- Ом код: 397-586
Преимущества
- Опциональная плата подключения различных типов энкодеров.
- Встроенный ЭМС-фильтр в ПЧ ≥4 кВт.
- Опциональная плата для работы с синхронными двигателями.
- Возможность объединения двух ПЧ для параллельной работы.
- 5 виртуальных входов; 5 виртуальных выходов.
- Модуль управления логикой торможения.
- Встроенный тормозной модуль в ПЧ ≤ 22 кВт.
- Внешний тормозной модуль в ПЧ ≥ 30 кВт.
- Возможность использования дросселя ЦПТ в ПЧ ≥ 30 кВт.
- Возможность отключения и подключения пульта управления на «горячую».
Документация
Сертификаты
- Отказное письмо 123-ФЗ
275эп-14-2-7.pdf - Отказное письмо 043
304эп-14-2-7 от 29.12.2025.pdf - Отказное письмо ФЗ-123
303эп-14-2-7.pdf - Отказное письмо 123-ФЗ
303эп-14-2-7 от 29.12.2025.pdf - Декларация 004
ЕАЭС N RU Д-CN.РА01.В.57982_25.pdf - Декларация 020
ЕАЭС N RU Д-CN.РА01.В.58048_25.pdf - Отказное письмо 123-ФЗ
303эп-14-2-7_.pdf - Отказное письмо 043
274эп-14-2-7.pdf - Отказное письмо 043
304эп-14-2-7_.pdf
Паспорта и РЭ
Дополнительные изображения
Модели для проектировщиков
Заказать товар:
Через форму заказа на сайте
По телефону:
Отправить на заявку на электронную почту:
Мы осуществляем отправку по РФ - СДЭК, Деловые линии, КИТ, Собственным транспортом (2 и 5 тн)
Бесплатная доставка по Екатеринбургу при сумме от 3000 руб - карта в разделе оплата и доставка
