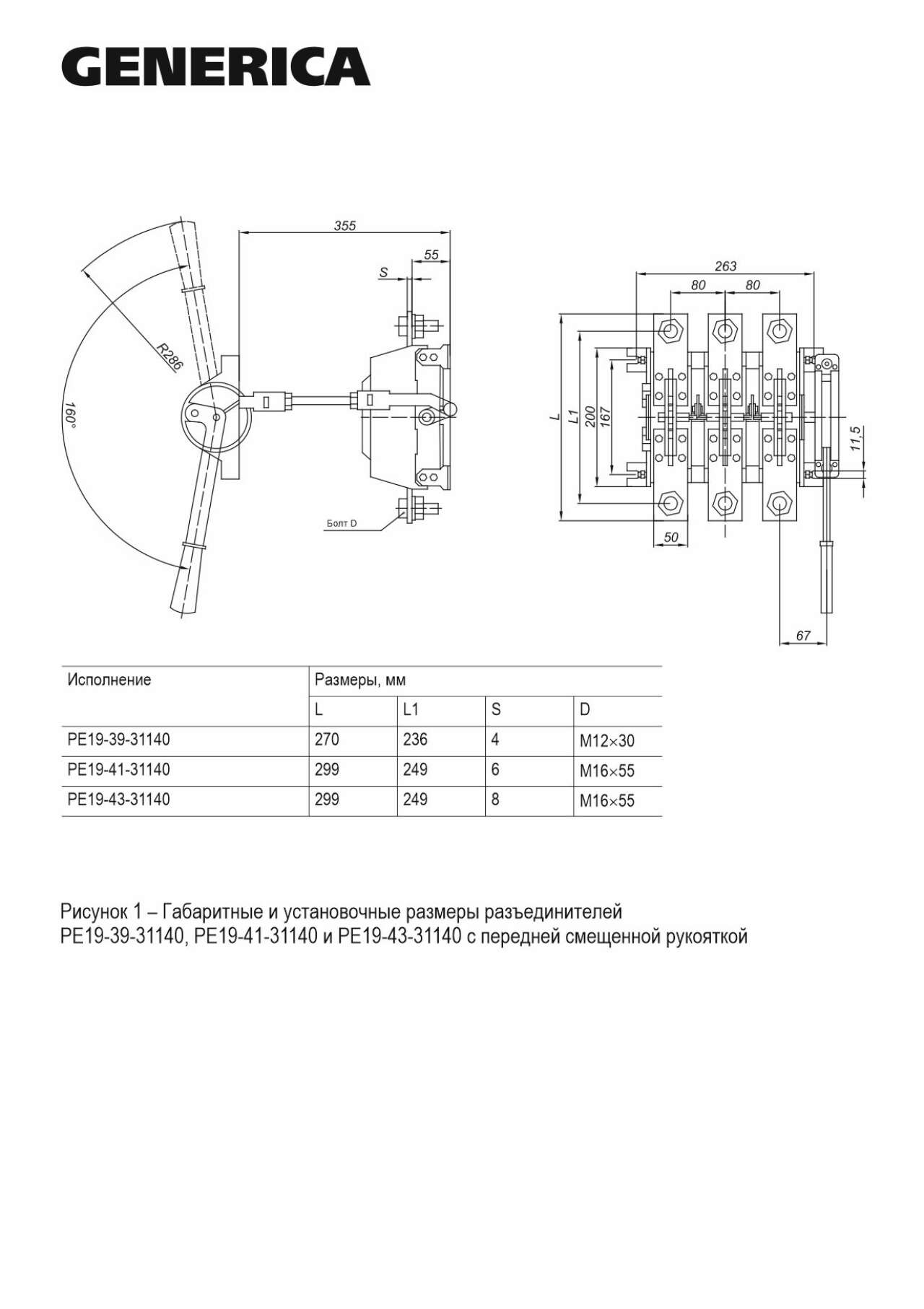
Разъединитель РЕ19-39-31140 630А ИЭК
Бесплатная доставка по Екатеринбургу и до ТК при заказе от 3000 ₽.
Доставка по России
- Производитель: IEK ( ИЕК )
- Код товара: PE-31140-0630
- Артикул: PE-31140-0630
- Ом код: 036-473
Преимущества
- Удобство монтажа и эксплуатации.
- Низкие потери мощности за счет применения высококачественных материалов.
- Видимый разрыв цепи.
- Широкий ассортимент рукояток управления.
- Возможность присоединения медных и алюминиевых проводников.
Особенности конструкции

Широкий ассортимент рукояток управления.

Полный комплект метизов для установки и присоединения проводников.

Основание выполнено из прочных не поддерживающих горение материалов.

Контактные выводы, выполненные из высококачественной электротехнической меди с нанесенным защитным покрытием, позволяют присоединять медные и алюминиевые токопроводящие жилы, оконцованные кабельными наконечниками, а также медные и алюминиевые шины.

Контактная система ножевого типа обеспечивает видимый разрыв цепи.
Комплект поставки
- Разъединитель - 1 шт.
- Комплект метизов
- Паспорт - 1 экз.
Документация
Сертификаты
- Отказное письмо ТР ЕАЭС 043
ВНИИПО_043_ТРЕАЭС.pdf - Отказное письмо 123-ФЗ
275эп-14-2-7.pdf - Отказное письмо 043
304эп-14-2-7 от 29.12.2025.pdf - Сертификат 004
АБ53.В.05846_22.pdf - Отказное письмо ФЗ-123
303эп-14-2-7.pdf - Отказное письмо 123-ФЗ
303эп-14-2-7 от 29.12.2025.pdf - Отказное письмо 043
274эп-14-2-7.pdf - Сертификат 004
ЕАЭС RU С-CN.АЯ46.В.43376_25.pdf
Дополнительные изображения
Заказать товар:
Через форму заказа на сайте
По телефону:
Отправить на заявку на электронную почту:
Мы осуществляем отправку по РФ - СДЭК, Деловые линии, КИТ, Собственным транспортом (2 и 5 тн)
Бесплатная доставка по Екатеринбургу при сумме от 3000 руб - карта в разделе оплата и доставка
Документы
|
|
|
|
|
|
|
|
