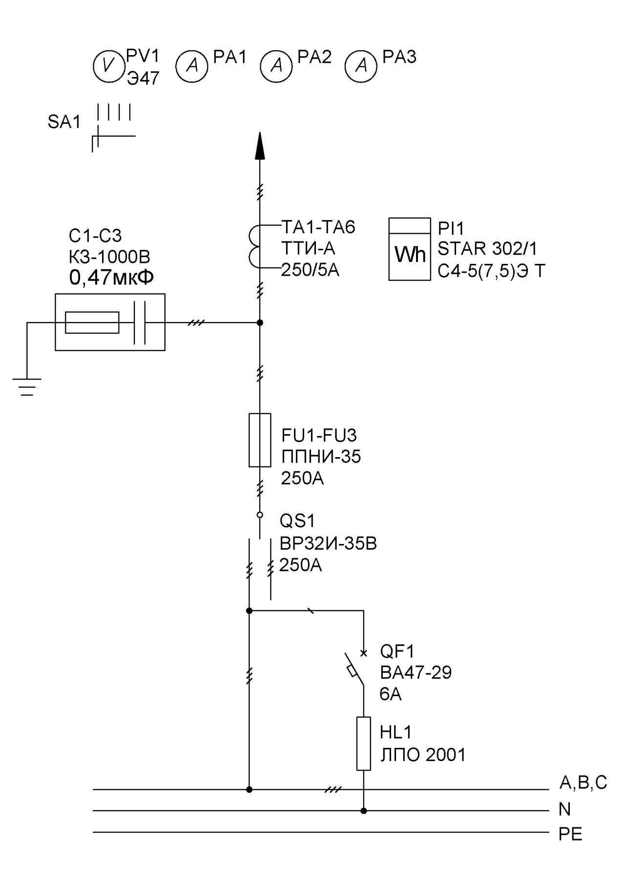
Панель вводная ВРУ-8503 МУ 2ВП-5-25-0-30 рубильник 1х250А плавкие вставки 3х250А выключатель автоматический 1Р 1х6А и учет IEK
Бесплатная доставка по Екатеринбургу и до ТК при заказе от 3000 ₽.
Доставка по России
- Производитель: IEK ( ИЭК )
- Код товара: NKU10-VRUS-22525030-01
- Артикул: NKU10-VRUS-22525030-01
- Ом код: 401-518
Преимущества
- Высококачественное наружное покрытие.
- Удобная фурнитура.
- Наличие аккредитованных сборщиков в крупнейших регионах РФ.
- Возможность внесения изменений в любое решение силами технических специалистов ГК IEK.
- Короткие сроки поставки компонентов решения обеспечиваются наличием широкой складской и партнерской сети.
Документация
Схемы подключения
Дополнительные изображения
Модели для проектировщиков
Заказать товар:
Через форму заказа на сайте
По телефону:
Отправить на заявку на электронную почту:
Мы осуществляем отправку по РФ - СДЭК, Деловые линии, КИТ, Собственным транспортом (2 и 5 тн)
Бесплатная доставка по Екатеринбургу при сумме от 3000 руб - карта в разделе оплата и доставка
