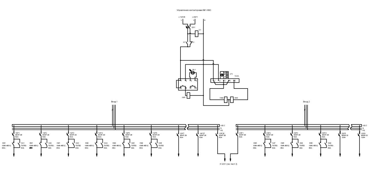
Панель распределительная ВРУ-8503 2Р-213-30 выключатель нагрузки 2Р 1х63А выключатели автоматические 3Р 5х125А 1Р 32х63А контакторы 3х65А IEK
Бесплатная доставка по Екатеринбургу и до ТК при заказе от 3000 ₽.
Доставка по России
- Производитель: IEK ( ИЭК )
- Код товара: NKU10-VRUS-25213300-01
- Артикул: NKU10-VRUS-25213300-01
- Ом код: 401-376
Преимущества
- Высококачественное наружное покрытие.
- Удобная фурнитура.
- Наличие аккредитованных сборщиков в крупнейших регионах РФ.
- Возможность внесения изменений в любое решение силами технических специалистов ГК IEK.
- Короткие сроки поставки компонентов решения обеспечиваются наличием широкой складской и партнерской сети.
Документация
Схемы подключения
Дополнительные изображения
Модели для проектировщиков
Заказать товар:
Через форму заказа на сайте
По телефону:
Отправить на заявку на электронную почту:
Мы осуществляем отправку по РФ - СДЭК, Деловые линии, КИТ, Собственным транспортом (2 и 5 тн)
Бесплатная доставка по Екатеринбургу при сумме от 3000 руб - карта в разделе оплата и доставка
