Комплект для сбора реверсивной схемы КТИ (150А) IEK
Бесплатная доставка по Екатеринбургу и до ТК при заказе от 3000 ₽.
Доставка по России
- Производитель: IEK ( ИЭК )
- Код товара: KKT50D-150-MB
- Артикул: KKT50D-150-MB
- Ом код: 364-811
Преимущества
- Полная совместимость с контакторами КТИ ИЭК.
- Широкий ассортимент.
- Простота установки на КТИ ИЭК.
- Надежная и проверенная временем конструкция.
- Соответствие стандартам ГОСТ.
Документация
Сертификаты
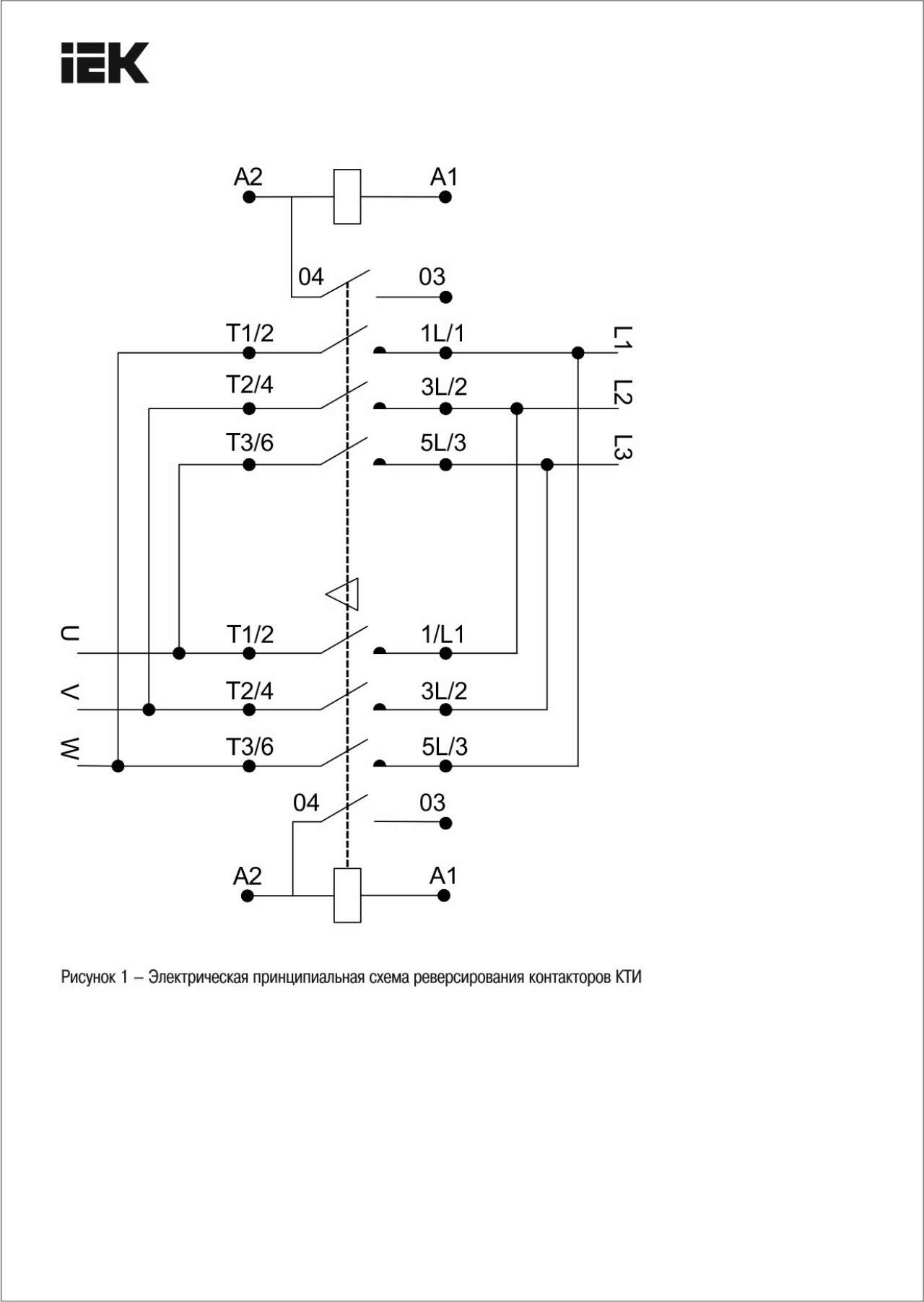
Схемы подключения
Заказать товар:
Через форму заказа на сайте
По телефону:
Отправить на заявку на электронную почту:
Мы осуществляем отправку по РФ - СДЭК, Деловые линии, КИТ, Собственным транспортом (2 и 5 тн)
Бесплатная доставка по Екатеринбургу при сумме от 3000 руб - карта в разделе оплата и доставка
