Контактор КТИ-6500 400В ИЭК
Бесплатная доставка по Екатеринбургу и до ТК при заказе от 3000 ₽.
Доставка по России
- Производитель: IEK ( ИЭК )
- Код товара: KKT60-500-400-10
- Артикул: KKT60-500-400-10
- Ом код: 025-222
Преимущества
- Простота конструктивного исполнения, обеспечивающая удобство замены составных элементов, в частности втягивающей катушки.
- Основание изготовлено из алюминиевого профиля, что обеспечивает повышенную прочность и меньший вес по сравнению с аналогами.
- Большой ассортимент дополнительных устройств, которые всегда имеются в наличии на складе (приставки контактные ПКИ, приставки выдержки времени ПВИ).
- Расширенный ассортимент предложения электромагнитных контакторов серии КТИ по сравнению с аналогами отечественных производителей на российском рынке.
Особенности конструкции

Собранный на заводе реверсивный контактор поставляется с заводскими шинами и механической блокировкой. Контакторы смонтированы на двух металлических рейках, что обеспечивает высокую жесткость конструкции. Реверсивные контакторы КТИ представляют собой отдельную группу в ассортименте компании.

Усовершенствованная конструкция катушки управления позволяет производить ее демонтаж без специального инструмента (путем утапливания фиксатора в корпус контактора).

Конструкция контакторов позволяет монтировать одновременно две дополнительные приставки в любом наборе.

Индикатор положения контактной системы вынесен на внешнюю панель боковой крышки. Это позволяет проверить состояние контактной системы, не разбирая контактор. Это экономит рабочее время.

Наличие индикации (насечки, выполненные на заводе) на контактах позволяет определить их степень износа.

В схеме каждого контактора имеется одна группа замыкающих контактов, встроенных в модуль катушки управления. Это при наличии кнопочного поста управления позволяет собрать простую схему управления.

Верхняя крышка закреплена при помощи винтов с фиксацией. Это исключает самопроизвольное развинчивание. Поэтому контакторы серии КТИ можно устанавливать в места, где присутствует постоянная рабочая вибрация.

Использование стандартного торцевого ключа для изменения усилия прижатия контактной системы и проверки действия контактной системы.

Контакт-детали выполнены из композитов на основе серебра, что позволяет уменьшить контактное сопротивление при повышении температуры.
Документация
Сертификаты
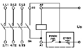
Схемы подключения
Дополнительные изображения
Модели для проектировщиков
Заказать товар:
Через форму заказа на сайте
По телефону:
Отправить на заявку на электронную почту:
Мы осуществляем отправку по РФ - СДЭК, Деловые линии, КИТ, Собственным транспортом (2 и 5 тн)
Бесплатная доставка по Екатеринбургу при сумме от 3000 руб - карта в разделе оплата и доставка
Документы
|
|
|
|
